Service Manual - North America Original Honda
(42MB) (Does not include wiring diagram)
Wiring Diagram - North America model
UK and USA Wiring Diagram
(can I get a volunteer to make this thing color? Needs to be a quality job just the the North American one above)
Owners Manual - North America Original Honda
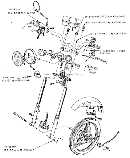
Parts Diagrams - North America Honda w/part numbers
Please Note: All part #'s are included in these diagrams, many of which are discontinued
Tear-Down Images from the Service Manual - 1982 Honda MB5 (North America)
Wiring Diagram for charging system and ignition (Simple, by system)